- 產品介紹
- 產品參數
|
型號 |
MTS361 |
MTS362 |
MTS363 |
MTS364 |
|
行程(mm) |
30 |
50 |
100 |
150 |
|
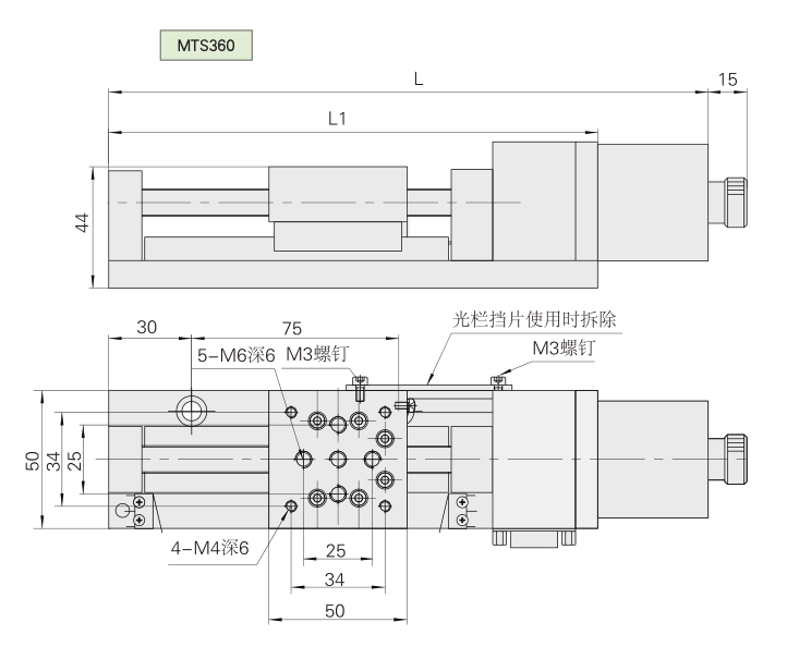
基本尺寸L1 (mm) |
157 |
177 |
227 |
277 |
|
主體尺寸L (mm) |
197 |
217 |
275 |
333 |
|
臺面尺寸 |
50×50 |
|||
|
螺桿導程(mm) |
1 |
|||
|
極限速度(mm/s) |
10 |
|||
|
重復定位精度(mm) |
<0.003 |
|||
|
運動直線度(mm) |
0.01 |
0.01 |
0.015 |
0.018 |
|
運動平面度(mm) |
0.012 |
0.012 |
0.016 |
0.02 |
|
中心負載(kg) |
15 |
15 |
12 |
10 |
|
分辨率(mm) |
0.000078 |
0.000078 |
0.000078 |
0.000078 |









