- 產品介紹
- 產品參數
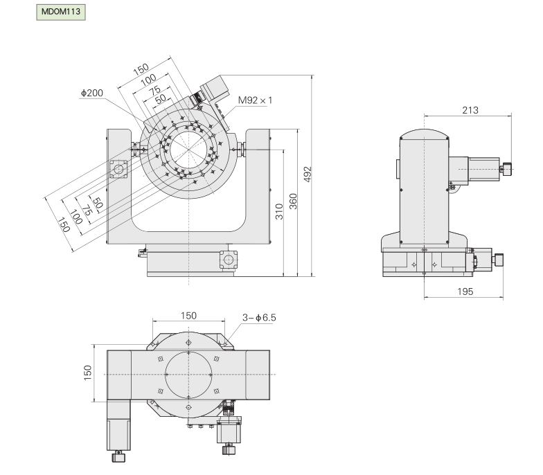
|
型號 |
MDOM113 |
|
|
極限卡持直徑(mm) |
Φ90 |
|
|
分辨率 |
X軸 |
0.00045° |
|
Z軸 |
0.0002° |
|
|
Y軸 |
0.0002° |
|
|
重復定位精度 |
X軸 |
0.01° |
|
Z軸 |
0.005° |
|
|
Y軸 |
0.005° |
|
|
傳動方式 |
蝸輪副 |
|
|
傳動比/極限轉速 |
X軸 |
80:1 / 22°/s |
|
Y軸 |
180:1 / 15°/s |
|
|
Z軸 |
180:1 / 15°/s |
|
|
步進電機 |
X軸 |
56步進電機 |
|
|
Y軸 |
42步進電機 |
|
|
Z軸 |
56步進電機 |
|
極限負載(kg) |
10 |
|
|
電控精調范圍 |
360° |
|
|
自重(kg) |
26 |
|











